cpi gauges cpi gauges cpi gauges cpi gauges cpi gauges
cpi gauges
cpi gauges home of CPI Gauges information contact us
cpi gauges

Flush Panel Mount Miniature Gauge
Chrome Plated Ring

General purpose gauges suitable on pressure and vacuum media that are non-corrosive to brass
or bronze and where panel mounting is desired. Drawn steel case construction with a polished chrome plated
ring. This unit is designed for flush mounting on a panel. Recommended for use with air, oil, compressed gas
and water service.

GAUGE SPECIFICATIONS
CASE:
Black Painted Steel
LENS:
Polycarbonate with Bump that Helps Protect Lens against Scratching. Polished Chrome Plated Mounting Ring
BRACKET: U-Clamp
SOCKET:
Brass
CONNECTION: 1/8" N.P.T. - 1½" Dial Size
MOVEMENT:
Precision Machined Copper Alloy Movement insuring sustained accuracy and extended service
TUBE: Copper Alloy Bourdon Tube
POINTER:
Black Finished Aluminum
DIAL SIZE:
1½"
DIAL FACE: Corrosion Resistant Aluminum
ACCURACY: 3-2-3% per A.N.S.I. B40.1 Grade B

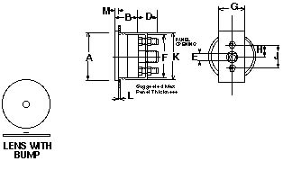
Flush Panel Mount
Dial Size
A
B
D
E
F
G
H
J
K
L
M
1 ½"
1 7/8"
27/32"
11/16"
½"
1 19/32"
1"
½"
1"
1 23/32"
1/4"
1/16"
Dimensions subject to change without notice.

Standard dials are PSI only. PSI/Kg, PSI/kPa and PSI/Bar also available. Oxygen cleaning, other scales and special configurations available on request. For more information, contact us at 800/323-5111.

STANDARD DIAL PRESSURE RANGE
DIAL RANGES PSI
30" HG
(30" HG†)
15
(15 †)
60
100
160
200
300
400
600
1000
2000*
3000*
4000*
5000
6000*
NUMERALS PSIG
5"
(5")
5
5
5
10
20
40
50
40
100
200
200
400
500
1000
1000
GRADUATIONS PSIG
1"
(1")
1
1
1
2
2
5
5
5
10
20
50
50
100
100
200

Half scale. *Pressures UL Listed 442M
For your copy of A.N.S.I. B40 standard gauge - pressure indicating dial type - elastic element, contact: The American Society of Mechanical Engineers, Three Park Avenue New York, NY 10016-5990 or call: 212/591-8500 Fax: 212/591-8501 www.asme.org
Print Version
| Home | Gauges | Information | Contact Us |
P.O. Box 8427 Fort Lauderdale, FL 33310-8427
Toll free: 800.323.5111 • Fax: 954.587.0109