WELDING
GAUGES
Steel Case
Oxygen
cleaned welding gauges (cleaned for oxy. per A.N.S.I. B40.1) suitable
for use with oxygen, other fuel gases and medical equipment that are
non-corrosive to brass or bronze and where stem mounting is desired.
Quality steel construction with one piece polycarbonate posi-lock lens.
Recommended for use with compressed gas regulators. Gauges over 1000
PSI UL Listed.
|
|
GAUGE
SPECIFICATIONS
CASE:
Gold or Color Coded Steel Case
LENS:
One Piece Polycarbonate Posi-Lock
SOCKET:
Brass
CONNECTION:
1/8" N.P.T. - 1½" Dial Size
¼" N.P.T. - 2" and 2½" Dial Size (1/8"
N.P.T. Available)
MOVEMENT:
Precision Machined Copper Alloy Movement insuring sustained accuracy
and extended service
TUBE:
Copper Alloy Bourdon Tube
POINTER:
Black Finished Aluminum
DIAL
SIZE:
1½", 2" and 2½"
DIAL FACE: Corrosion
Resistant Aluminum
ACCURACY:
3-2-3% per A.N.S.I. B40.1 Grade B
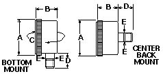
|
Bottom
Mount
|
Center Back Mount
|
|
|
Dial
Size
|
Type
|
A
|
B
|
C
|
D
|
E
|
|
1
½"
|
BM
|
1
25/32"
|
15/16"
|
1
7/8"
|
11/16"
|
½"
|
|
2"
|
2
5/16"
|
1
1/32"
|
2
5/16"
|
63/64"
|
9/16"
|
|
2
½"
|
2
55/64"
|
1
1/32"
|
2
7/8"
|
58/64"
|
9/16"
|
 |
|
1
½"
|
CBM
|
1
25/32"
|
15/16"
|
N/A
|
11/16"
|
½"
|
|
2"
|
2
5/16"
|
1
1/23"
|
N/A
|
7/8"
|
9/16"
|
Dimensions
subject to change without notice.
Standard dials available: PSI only, PSI/Kg, PSI/kPa or PSI/Bar. Other
scales and special configurations can be custom built to your specifications.
For more information, contact us at 800/323-5111. |
 |
Standard
Flow Gauges
|
GAS
SERVICE
|
FLOWGAUGE
DIA.
|
FLOWGAUGE
CFH
|
DRILL
#/
ORIFICE SIZE
|
MAX
PRESSURE
|
|
Argon
& Ar/CO2
Mix
75%-25%
|
1
½"
|
10-40
|
71/.026"
|
60
PSI
|
|
Carbon
Dioxide
|
1
½"
|
10-40
|
71/.026"
|
60
PSI
|
|
Argon
& Ar/CO2
Mix
75%-25%
|
2"
|
10-50
|
67/.032"
|
60
PSI
|
|
Carbon
Dioxide
|
2"
|
10-50
|
69/.029"
|
60
PSI
|
|
Carbon
Dioxide
|
2"
|
20-100
|
67/.032"
|
100
PSI
|
Other
Flowgauges can be built to your specifications. |
Standard
Dial Pressure Ranges
|
DIAL
RANGES PSI
|
30
|
60
|
100
|
200
|
400
|
600
|
1000
|
2000*
|
3000*
|
4000*
|
6000*
|
|
NUMERALS
PSIG
|
5
|
10
|
20
|
40
|
100
|
100
|
200
|
400
|
500
|
500
|
1000
|
|
GRADUATIONS
PSIG
|
1
|
2
|
2
|
5
|
10
|
20
|
20
|
50
|
50
|
100
|
200
|
With or without 15 to 30 psi
red line UL Listed 442M |
|
For
your copy of A.N.S.I. B40 standard gauge
- pressure indicating dial type - elastic element,
contact: The American
Society of Mechanical
Engineers, Three Park Avenue New
York, NY 10016-5990 or call: 212/591-8500 Fax:
212/591-8501 www.asme.org STANDARD
FLOW GAUGES
Print Version |